您好,欢迎访问上海柏吉电气自动化设备有限公司!
设为首页
|
加入收藏
销售服务热线
021-55669916
网站首页
产品中心
代理产品
资料下载
联系我们
在线留言
网站首页
>>
norelem 标准件
>>
norelem 03108
您的当前位置:
产品中心
norelem 03108
发布时间: 2018-08-03 11:43
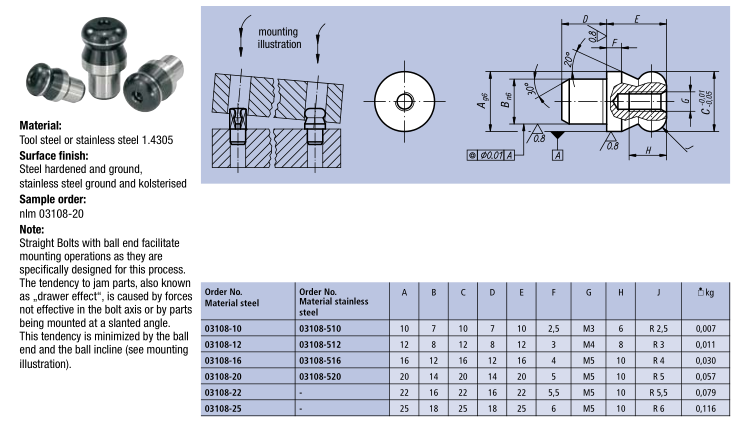
商品信息
上一个:
norelem 03108 (2)
下一个:
norelem 03107 (2)